Kristalontvanger set 11
Stap 2 Het maken van het frame
Terug naar de index terug naar set 11
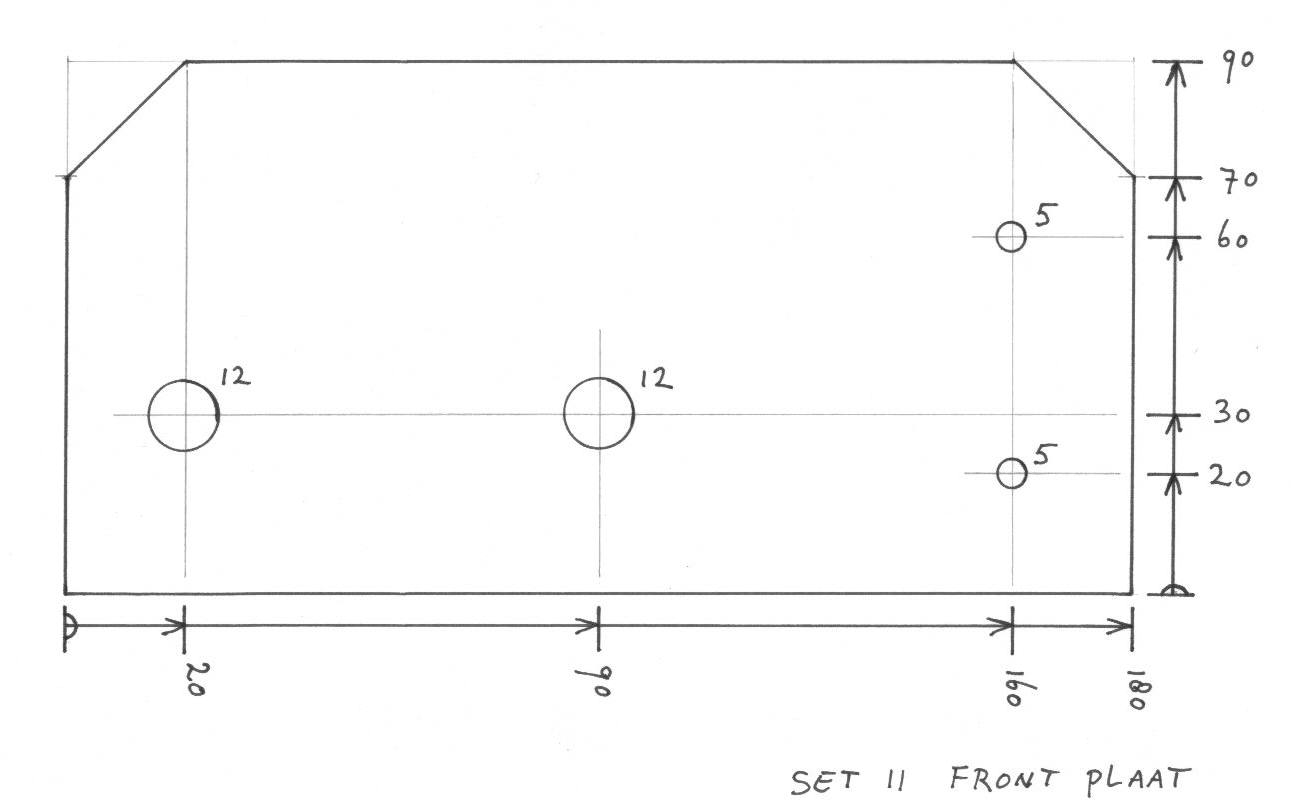
Zaag en boor de bodemplaat en frontplaat overeenkomstig onderstaande tekeningen.

Bodemplaat van de ontvanger (bovenaanzicht).
Alle maten in: mm
Materiaal: 12 mm multiplex.
Alle gaten (behalve die van 9 mm) moeten aan onderzijde worden verzonken.

Frontplaat van the ontvanger (vooraanzicht)
Alle maten in: mm.
Materiaal: 12 mm multiplex.
Bodemplaat.
Als je een freesmachine hebt, frees dan een profiel aan de randen.
Vernis het hout tweemaal met blanke vernis
Frontplaat.
Boor 4 gaten (2,5 mm) in de zijkant van het frontpaneel, op de plaatsen waar de schroeven komen.
Dit moet gedaan worden met een kolomboormachine
Plak de plakvoetjes op de onderzijde van de bodemplaat.
Schroef de frontplaat aan de bodemplaat met vier schroeven 3x45 mm.
Plaats de hoofdtelefoon aansluitbus.
Plaats de twee terminal posts en de gas discharge tube.
Detail van de terminal posts, en de gas discharge tube.
Alle moeren van de terminal posts moeten stevig aangedraaid worden.